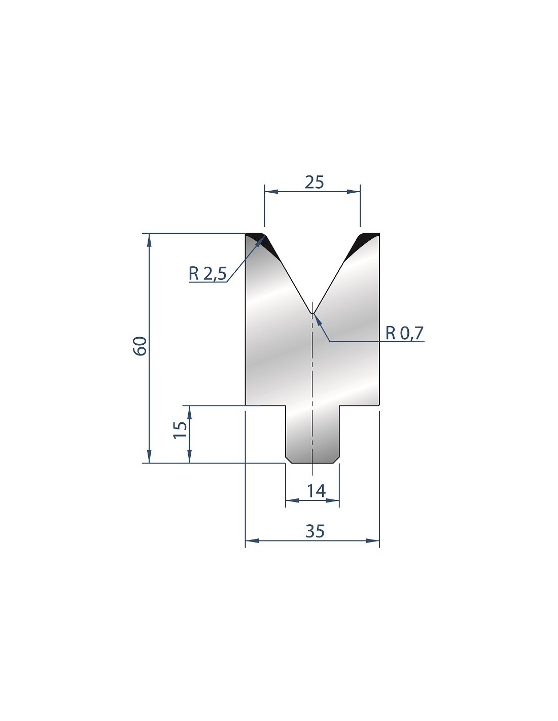
3199 — Матрица 60°

Артикул: 3199

Длина

415, 805 секц, 835

Категория

1V

Угол

60

Раскрытие

25

Высота

60

Усилие

60

0 People watching this product now!

Оперативная доставка

Товары по артикулу

Поддержка 24/7

Предложение в кротчайшие сроки

Краткое описание

Система крепления гибочных инструментов типа Amada-Promecam (Амада-Промекам) / Euro (европейская) представляет собой одну из самых широко используемых систем в мире, устанавливаемую большинством производителей в качестве стандартной. Эта система отличается высокой универсальностью и экономичностью держателей, обширным ассортиментом гибочных инструментов (она является основной для их производства), а также удобством монтажа благодаря клиновидной системе и прижимам (планкам). К её ограничениям можно отнести только боковую загрузку по умолчанию и, как правило, базовый тоннаж для инструмента и самой системы не превышает 100 т/м. Она является основной для листогибочных прессов, произведённых в Европе, Турции, Азии, включая Россию.

Поддерживаемые марки:

Европа, Япония: Adira, AM Machinery, Amada, Axial, Boschert, Bystronic, CMU, CoastOne, Colgar, Colly, Gilardi, Gizelis, Guifil, Deratech, Edward Pearson, Femas, Fratelli Farina, GADE, Gasparini, Gecko, HACO (Atlantic), Hammerle, Hesse, Hezinger, IMAL, ITEK, Jean Perrot, Jodri, KAAST, Karmet, Kingsland, Knuth, Mecos, Nargesa, OMAG, Peliant, Rico, Salvagnini, Schiavi, SMD, STR, Tabama, Teda, Vicla, Vimercati, Warcom, т.д.

Практические все турецкие, китайские и тайваньские станки используют базовую систему Amada-Promecam, включая:

Турция: AlpMac, Baykal, Cematek, Dema, Dener Makina, Durma, Ermaksan / Ermak, Hat-Tech, HILALSAN, Inanlar, Metal Master, MVD, Tezsan, Toskar, Tugra Makina, Vartek, UMS и др.

Китай (КНР): Accurl, Accurpress, ACL, ADH, Bertech, Bodor, Euromet, Harsle, Harting, Ironmac, KMT, KRRASS, LZK, Maihong, MetalTec, MIHARMLE, PrimaPress, Smart, SHENCHONG, Yangli, Yawei, YSD, Tianshui / TSD, ZYMT и др.

Дополнительные товары

Отправка и доставка

ДОСТАВКА

Наша компания стремится сделать процесс доставки максимально удобным и комфортным для каждого клиента. Мы предлагаем гибкие варианты получения заказов, которые позволят вам выбрать наиболее подходящий способ в зависимости от ваших потребностей и предпочтений. Вы можете воспользоваться опцией самовывоза с нашего склада, выбрав удобное для вас время. Наш склад оснащен всем необходимым для быстрого и комфортного получения заказов.

Если вам удобнее, мы организуем доставку вашего заказа через проверенные транспортные компании, с которыми у нас налажено долгосрочное сотрудничество. Мы тщательно отбираем партнеров для обеспечения высокого уровня сервиса и гарантии сохранности ваших товаров на протяжении всего пути. Независимо от того, где вы находитесь, наш опытный логистический отдел подберет оптимальный маршрут, чтобы ваш заказ прибыл в срок и в полной сохранности.

Мы понимаем, насколько важна своевременная и безопасная доставка, поэтому наша команда прилагает все усилия, чтобы обеспечить вам наилучший опыт сотрудничества на каждом этапе — от момента оформления заказа до его получения.